HTHBHVR8BLR-NF

Halsey Taylor HydroBoost® Vandal-Resistant Bottle Filling Station & Bi-Level Reverse ADA Cooler Non-Filtered Refrigerated Stainless

$6,452.00 (USD)

Actual selling price may vary
ADA Yes
Power 115V/60Hz
Features Green Counter™
Laminar Flow
Real Drain
Vandal Resistant
Mounting Type Wall Mount (On Wall)
Installation Location Indoor + Outdoor
Number of Stations 2
Bubbler Style Vandal Resistant
Chilling Capacity 8.0 GPH
Included with Product Water Cooler (CLR-HTHBHVR8BLR-NF)
Bottle Filler (HVRHTHB-NF)
Ships In Multiple Boxes Yes
Country Of Origin USA
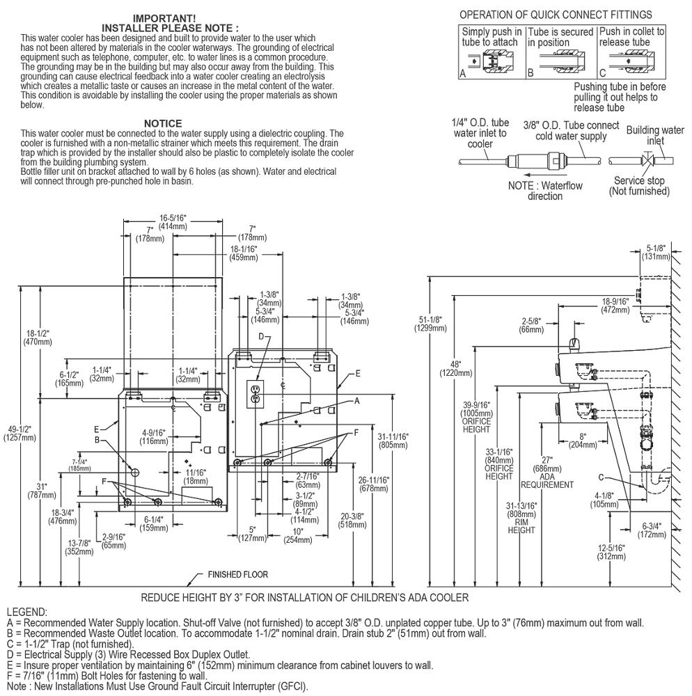
Dimensions 36.125
18.625
38.813
Shipping Dimensions 22.75
31.69
25.8
Shipping Weight 118.0
Code Compliance ASME A112.19.3/CSA B45.4
CSA B45.4
CSA C22.2 No. 120
UL 399
NSF 61
NSF 372

The Halsey Taylor HydroBoost® Bottle Filling Station delivers a clean quick water bottle fill and enhances sustainability by minimizing our dependency on disposable plastic bottles. Vandal-resistant cooler and bottle filling station in a consolidated space saving ADA compliant design. Pushbutton activation with automatic 20-second shut-off timer on bottle filler.

  • Ideal for heavy-use installations such as educational and indoor recreational facilities
  • Hermetically sealed refrigeration system provides chilled water to satisfy thirst
  • Vandal-resistant, push-button activation for both the bottle filler and the water cooler
  • Fill rate is 1.1 GPM
  • Green Counter™ informs user of number of 20 oz. plastic water bottles saved from waste
  • Laminar flow provides clean fill with minimal splash
  • Real drain system eliminates standing water
  • Vandal-resistant bubblers feature chrome-plated integral hood guard to prevent contamination from other users, airborne deposits and tampering
  • Rated for indoor or outdoor use