HTHB-HAC8BLSS-WF

Halsey Taylor HydroBoost® Bottle Filling Station & Bi-Level ADA Cooler Filtered Refrigerated Stainless

$4,462.00 (USD)

Actual selling price may vary
ADA Yes
Power 115V/60Hz
Features Antimicrobial
Filtered
Green Counter™
Laminar Flow
Mechanically Activated
Real Drain
Sanitary Sensor Activated
Visual Filter Monitor
Mounting Type Wall Mount (On Wall)
Installation Location Indoor
Number of Stations 2
Bubbler Style Double Bubbler ™
Chilling Capacity 8.0 GPH
Included with Product Water Cooler (8740082883-HTHB)
Filter
Bottle Filler (HTHB-HAC)
Ships In Multiple Boxes Yes
Country Of Origin USA
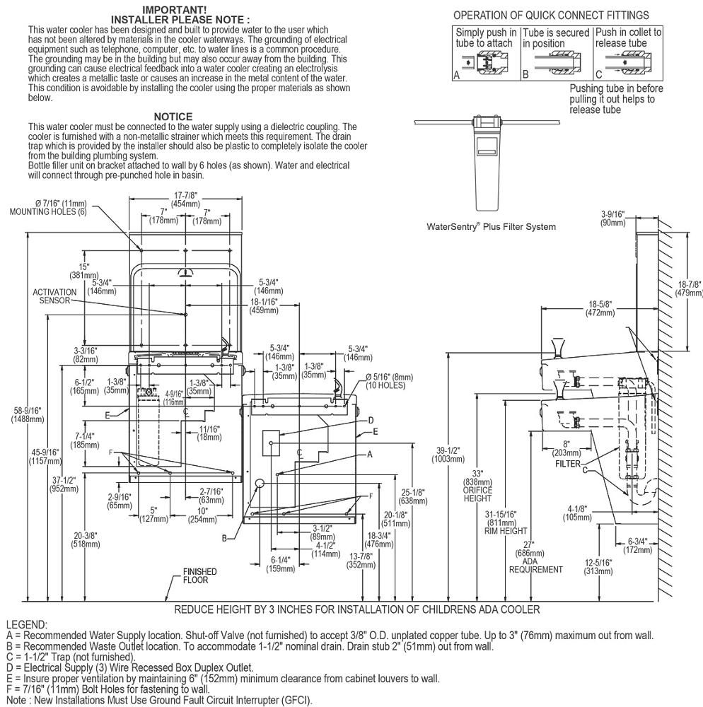
Dimensions 36.25
18.625
46.25
Shipping Dimensions 24
28.7
35.6
Shipping Weight 111.0
Code Compliance ASME A112.19.3/CSA B45.4
CSA B45.4
CSA C22.2 No. 120
NSF 42
NSF 53
NSF 401
UL 399
NSF 61
NSF 372

The Halsey Taylor HydroBoost® Bottle Filling Station delivers a clean quick water bottle fill and enhances sustainability by minimizing our dependency on disposable plastic bottles. Complete cooler and bottle filling station in a consolidated space saving ADA compliant design. Bottle Filler features sanitary no-touch sensor activation with automatic 20-second shut-off timer.

  • Touchless, sensor-activated bottle filler, designed for easy use; mechanically-activated bubbler continues to supply water in service disruptions
  • Hermetically sealed refrigeration system provides chilled water to satisfy thirst
  • Fill rate is 1.1 GPM. Laminar flow provides clean fill with minimal splash
  • Visual filter monitor with LED filter status indicator for when filter change is necessary
  • The 3,000-gallon filter is tested and certified to NSF/ANSI 42 and 53 for the reduction of lead, cysts, Class I particulates, and chlorine taste and odor
  • Green Counter™ informs user of number of 20 oz. plastic water bottles saved from waste
  • Silver ion antimicrobial protection on key plastic components to inhibit the growth of mold and mildew
  • Real drain system eliminates standing water
  • Exclusive Halsey Taylor® Double Bubbler™ which projects two separate streams that converge to form a fuller, more satisfying drink
  • Rated for indoor use